
> Product >
Switch
| Gas Insulated Load Break Switches Overhead Line (Automatic, Manual) |
Polymeric Insulated Load Break Switches Overhead Line (Automatic, Manual) |
Gas Insulated Load Break Switches Underground Line (Automatic, Manual) |
| Electrical Characteristics |
| Description |
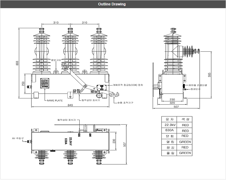
DB-GS |
| Rated Maximum Voltage |
25.8kV / 24kV |
| Rated Frequency |
50/60Hz |
| Rated Continuouse Current |
400/630A |
| Rated Interrupting Current |
12.5kA |
| Lighting Impulse Withstand Voltage |
150kV |
| Power Frequency Withstand Volage (Dry - 1min) |
60kV |
| (Wet - 10sec) |
50kV |
| Min. Interrupting Time |
< 1 sec |
| Max. Closing Time |
< 1 sec |
| Mechnical Endurance |
5,000 times |
| Degree of Protection |
IPX8 |
| Weight |
110kg |
| Applied Standard |
IEC62271-103 |